Kirjeldus
Põrutust leevendav süsteem SHOCK-WBV, C-seeria
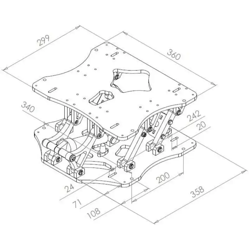
Shock-WBV C-seeria suurtele istmetele. Shock-WBV on loodud spetsiaalselt vibratsiooni (WBV) vähendamiseks ja mugavuse lisamiseks paadikasutajate jaoks. C-seeria on suurim moodul, mida täna toodetakse suurte paadiistmete jaoks. Leevendit on mugav ning lihtne kohandada vastavalt mereoludele ja kasutaja parameetritele. See kerge kuid tugev leevendi on valmistatud lennunduses kasutatavast ülitugevast alumiiniumist ja roostevabast AISi316 terasest. Süsteem omab standardvarustuses FOX Float EVOL amortisaatorit. Toode on mõeldud kasutamiseks nii kommerts- kui vabaaja paatidel.
- Kogupikkus: 358mm
- Kogulaius: 360mm
- Kõrgus: 173mm
- Kõrgus kokkumuljutuna: 101mm
- Käik: 84mm
- Vertikaal: 72mm
- Horisontaal: 43mm
- Kaal: 7.4 kg
Kui vajad nõu paaditarvikute valikul või soovid õppida uusi lahendusi, vaata lehte Abiks paadimehele.
Külasta meie Facebooki lehte ja tutvu uudistega ning jaga enese kogemusi: BalticBoatnet.








